欢迎来到kaiyun全站APP登录官网官方版企业官网-
电抗器
专业制造商!
咨询热线:
400-882-8558
网站首页
关于我们
公司简介
企业文化
资质证书
开云体育足球规则
工程案例
一级配电
二级配电
终端配电
工业控制保护
智能照明控制系统
智能电力仪表
消防产品
电源电器
客服中心
服务承诺
销售网络
在线反馈
kaiyun体育网安全
公司新闻
行业动态
技术动态
联系我们
语言
中文
English
产品展示
PRODUCTS
一级配电
万能式断路器
二级配电
开云体育最新官网
塑料外壳式断路器及漏电
负荷隔离开关
隔离开关熔断器组
开启式刀开关
终端配电
微型断路器及漏电
微型隔离开关
微型断路器附件
kaiyun体育在线登录网站
电子限电流自动控制器
自动重合闸小型断路器
自动重合闸剩余电流塑壳断路器
电涌保护器
家用交流接触器
AC30模数化插座
工业控制保护
控制与保护开关
电机软启动器
变频器
电抗器
交流接触器
直流接触器
热继电器
智能照明控制系统
智能照明控制面板
智能照明导轨模块
智能照明电源模块
智能照明传感器
智能照明主机系统
智能电力仪表
多功能电力仪表
数码显示电流表
数码显示电压表
数码显示频率表
消防产品
电气火灾监控探测器
消防电源监控模块
电源电器
EPS应急电源
UPS不间断电源
变压器
联系我们
CONTACT
TEL:400-882-8558
nm@neng-man.com
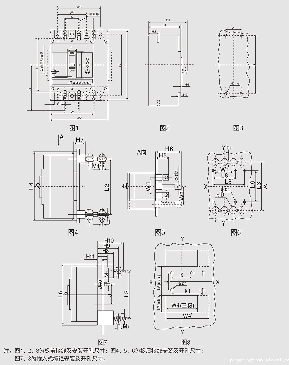
NMCM1E系列智能型电子式塑壳断路器
您当前的位置:
首页
>
产品展示
上一个:NMCM3系列塑料外壳式断路器
下一个:NMDZ10塑料外壳式断路器
热点动态
2014-12-24
能曼小编为您介绍串联电抗器作用
能曼小编为您介绍串联电抗器作用
MORE
2014-12-22
浅析电抗器作用 能曼解读
浅析电抗器作用 能曼解读
MORE
简体中文
English
网站首页
关于我们
公司简介
企业文化
资质证书
开云体育足球规则
客服中心
服务承诺
销售网络
在线反馈
kaiyun体育网安全
公司新闻
行业动态
技术动态
联系我们
联系方式
kaiyun登录体育